MoonNote

반응형
     

 

 

전기회로(Electric Circuit)란,

가장 간단한 전기 회로 (출처 : 위키백과)

 

전기 회로란, 저항(R), 인덕터(L), 커패시터(C)로만 구성된 폐회로를 말합니다.

회로에 공급되는 전기의 종류에 따라 크게 직류 회로와 교류 회로로 나뉘며 R, L, C를 이용하여 다양한 전기 회로를 만들 수 있습니다.

 

 

# 수동 소자(저항, 인덕터, 커패시터)로만 이루어진 회로를 선형 회로라고 함
# 선형 회로에서 전압과 전류는 비례 관계

 

 

 

 

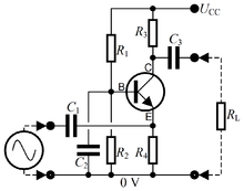
전자회로(Electronic Circuit)란,

BJT를 이용한 전자 회로 (출처 : 위키백과)

 

전기 회로에 다이오드, 콘덴서, 트랜지스터 등으로 구성된 회로를 말합니다.

"R, L, C + 능동 소자"를 포함한 증폭, 정류, 포화 등을 다루는 회로로 비선형 소자를 포함하는 회로를 전자 회로라고 합니다.

 

 

# 전류와 전압이 비례 관계로 표시가 될 수 없는 회로를 비선형 회로라고 함

 

 

 

※ ¹ 아날로그를 디지털로 변환하거나 디지털을 아날로그로 변환할 때 또는 ² 노이즈가 심하거나 신호가 미약하여 다이오드나 트랜지스터를 이용하여 증폭, 필터를 처리해주는 회로가 필요할 때 등 우리가 사용하는 전자기기에는 이런 전자회로가 필수적이라고 보면됩니다.

 

 

 

 

 

※ 이 글이 도움이 되었다면 "🤍공감" 버튼을 클릭해주세요. 클릭 한번이 글 쓰는데 큰 힘이 됩니다.

공유하기

facebook twitter kakaoTalk kakaostory naver band