MoonNote

반응형

Which code will split Numeric Array into values above and below 0.5 and place values in the correct indicator?

 

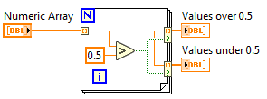
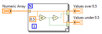
1.

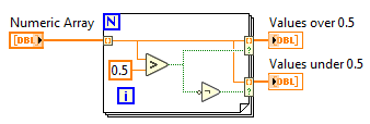
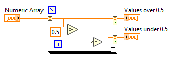
2.

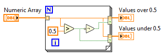
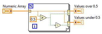
3.

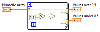
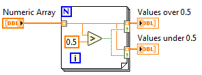
4.


정답 보기는 아래 더보기 클릭

 

더보기

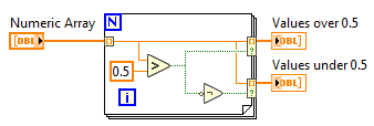
정답 : 3.


AutoIndexing을 통하여 0.5보다 넘는 값과 0.5보다 낮은 값을 각각 분리하는 코드를 찾는 문제이다. 먼저 0.5보다 큰 값과 0.5보다 낮은 값에 대해 각각 비교하는 코드는 3번과 4번이 되겠다. 비교 연산자 후 not 게이트가 적용된 와이어와 적용되지않은 와이어가 사용된 코드를 찾으면 된다. 그 다음 출력 터미널에 조건적 설정을 통하여 0.5가 넘는 값과 0.5보다 작은 값을 출력으로 AutoIndexing하는 코드를 찾으면 3번이 정답이다.

※ Tip : 오토인덱싱(AutoIndexing)이란, 배열 데이터에서 사용되어지는 용어로 자동으로 데이터의 인덱싱(Indexing) 처리를 해주는 기능을 말한다. 인덱스(Index)는 배열에서의 데이터의 위치 정보(N번째)를 나타내는 용어이다.

오토인덱싱(AutoIndexing)은 For루프 또는 While 루프같은 반복문에서 사용된다. 관련 내용은 아래의 NI 사이트 링크를 참조바란다.

 

LabVIEW내 For 루프 및 While 루프에 있는 오토인덱스 터널 - National Instruments

문의사항 While 루프 또는 For 루프를 통해 연결할 때 와이어의 터널은 단색으로 칠해져 있거나 대괄호를 사용합니다. 두 터널의 차이점은 무엇이며 어떻게 변경할 수 있습니까?

knowledge.ni.com

 

 

 

 

 

※ 이 글이 도움이 되었다면 "🤍공감" 버튼을 클릭해주세요. 클릭 한번이 글 쓰는데 큰 힘이 됩니다.

공유하기

facebook twitter kakaoTalk kakaostory naver band