MoonNote

반응형

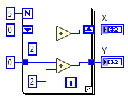
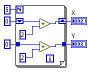
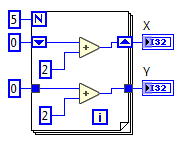
What are the values of X and Y after the code completes execution?

 

  1. X=10, Y=2
  2. X=10, Y=10
  3. X=2, Y=2
  4. X=2, Y=10

 


정답 보기는 아래 더보기 클릭

 

더보기

정답 : 1. X=10, Y=2

 문제에서 제시한 코드를 보고 실행 후 출력 값을 찾는 문제이다.
 첫번째로, For문의 카운트 터미널(N)에 5가 지정되었으므로 5 사이클 반복되는 것을 알 수 있다. 두 숫자형 상수 0이라는 값이 루프로 전달되고 사이클이 반복될 때마다 위쪽과 아래쪽 코드가 모두 '+2'씩 연산되는 것을 알 수 있다. 이때 차이점은 위쪽의 코드는 시프트 레지스터(Shift Register)로 구성되어있고 아래쪽은 그냥 터널 형태로 작성되어졌다는 것이다. LabVIEW 반복문(For문 또는 While문)에서 데이터를 저장하여 다음 사이클로 넘겨주는 역할을 하는 것이 시프트 레지스터(Shift Register)라고 하겠다. 시프트 레지스터와 관련된 내용은 NI 사이트 링크를 참조하도록 하자.

LabVIEW에서 루프 반복 사이에 데이터 전달하기

 

LabVIEW에서 루프 반복 사이에서 데이터 전달하기 - National Instruments

이 섹션에 포함된 내용 프로그래밍에서 루프를 사용할 때, 종종 이전에 LabVIEW에서 이미 실행된 루프 반복의 데이터를 사용해야 할 경우가 있습니다. 예를 들어 루프의 각 반복에서 데이터를 하

www.ni.com

루프 실행시마다 내부적으로 반복되는 연산 값을 계산해보면 다음과 같다.

  위쪽 코드(시프트 레지스터) 아래쪽 코드(터널)
  Xin Xout Yin Yout
1번째 루프 0 2 0 2
2번째 루프 2 4 0 2
3번째 루프 4 6 0 2
4번째 루프 6 8 0 2
5번째 루프 8 10 0 2
최종 출력 값   10   2

따라서 정답은 1. X=10, Y=2이 정답이다.

 

 

 

 

 

※ 이 글이 도움이 되었다면 "🤍공감" 버튼을 클릭해주세요. 클릭 한번이 글 쓰는데 큰 힘이 됩니다.

공유하기

facebook twitter kakaoTalk kakaostory naver band