MoonNote

LabVIEW Equalizer

2022. 3. 18. 21:34
반응형
     

 

예제 파일

  • LabVIEW 2014 or 이후 버전
Sound Equalizer.zip
0.35MB
WAV_file_sample_1M.wav
1.02MB

개요

윈도우 웨이브폼 오디오 파일(*.wav)을 랩뷰에서 불러와서 연속적으로 재생하는 예제

 

 

실행 순서

1. 압축풀고 LabVIEW Project 파일 실행

2. Equalizer.vi 열기

3. Path에 웨이브폼 오디오 파일(*.wav) 지정

4. LabVIEW 실행 후 Equalizer로 음원 조절

 

요구 사양

Intel® Core™ i3-2310M Processor or 그 이상

▪ 3M Cache, 2.10 GHz

▪ Memory 6GB 이상

 

Equalizer 화면

 

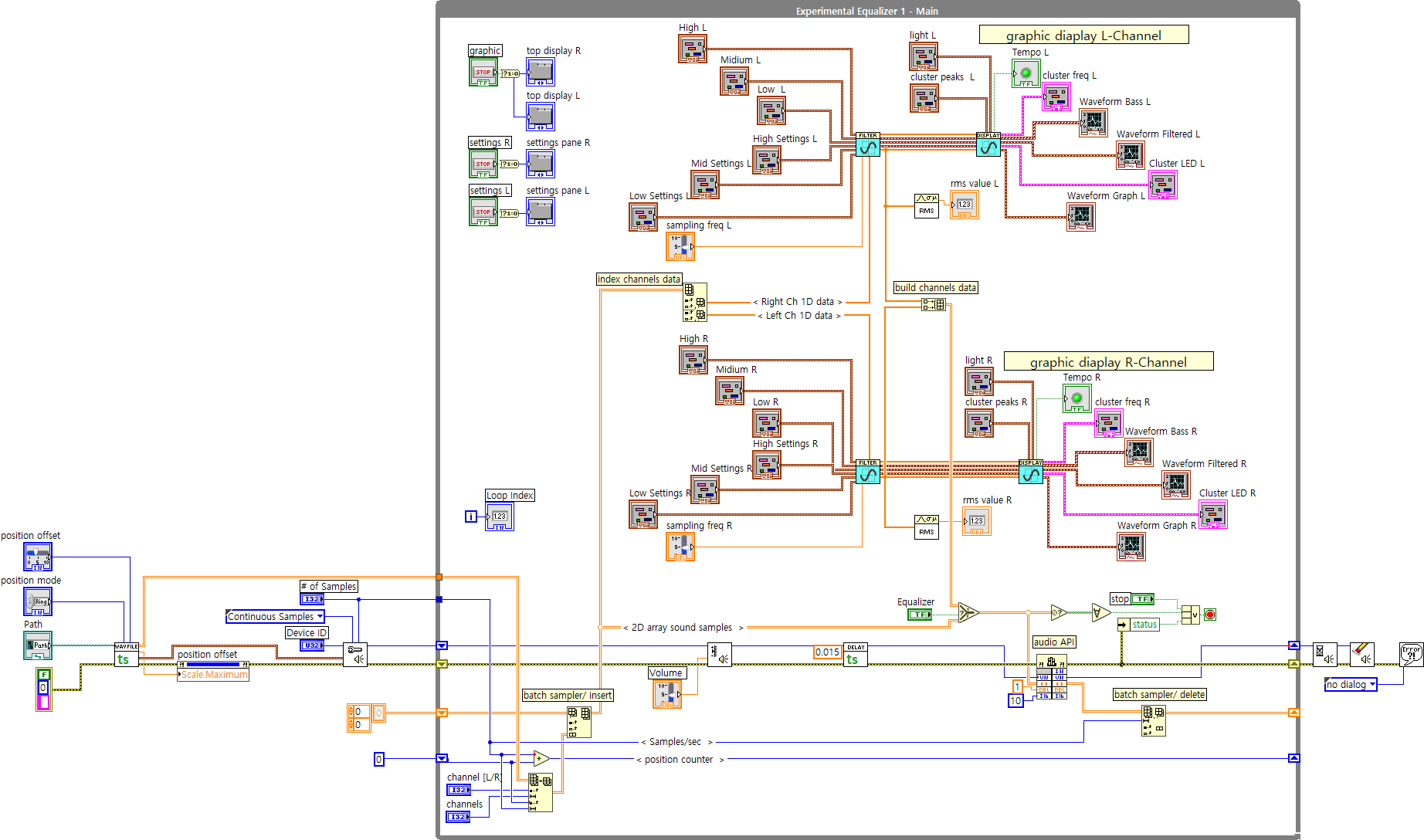
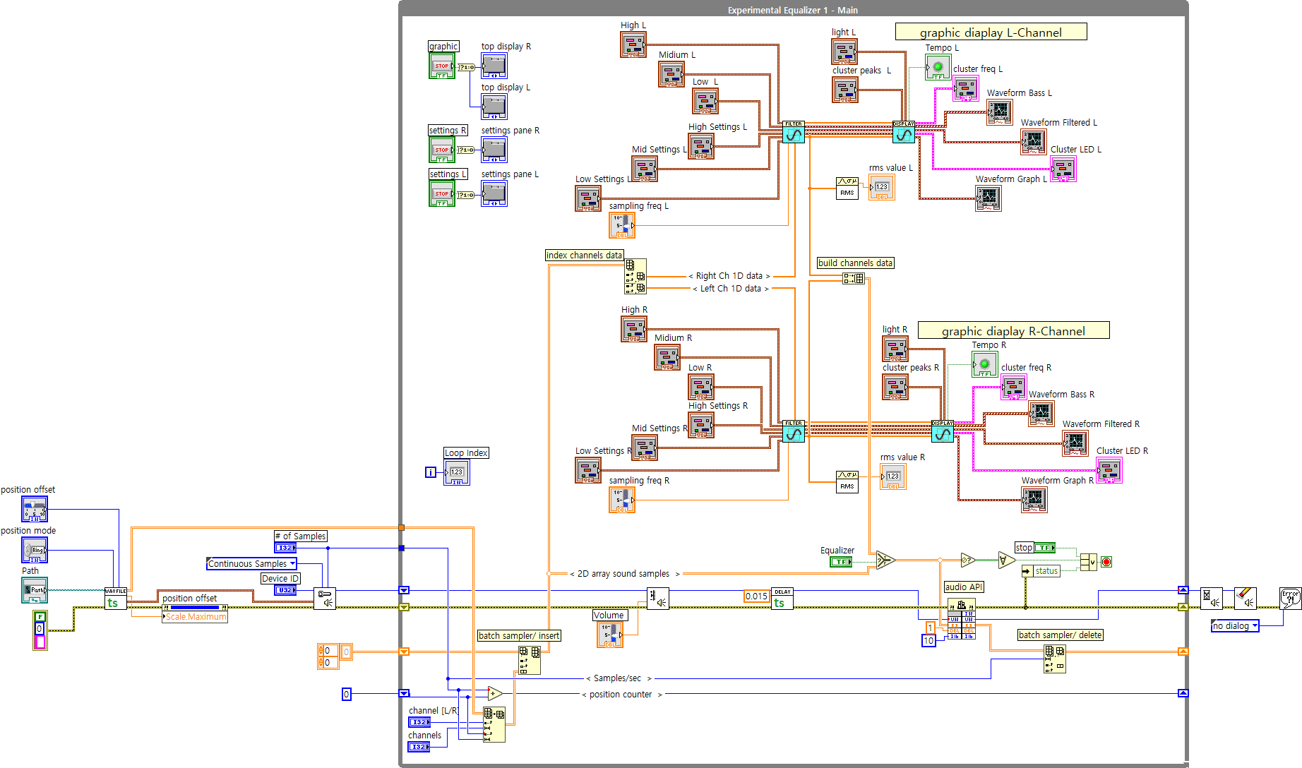
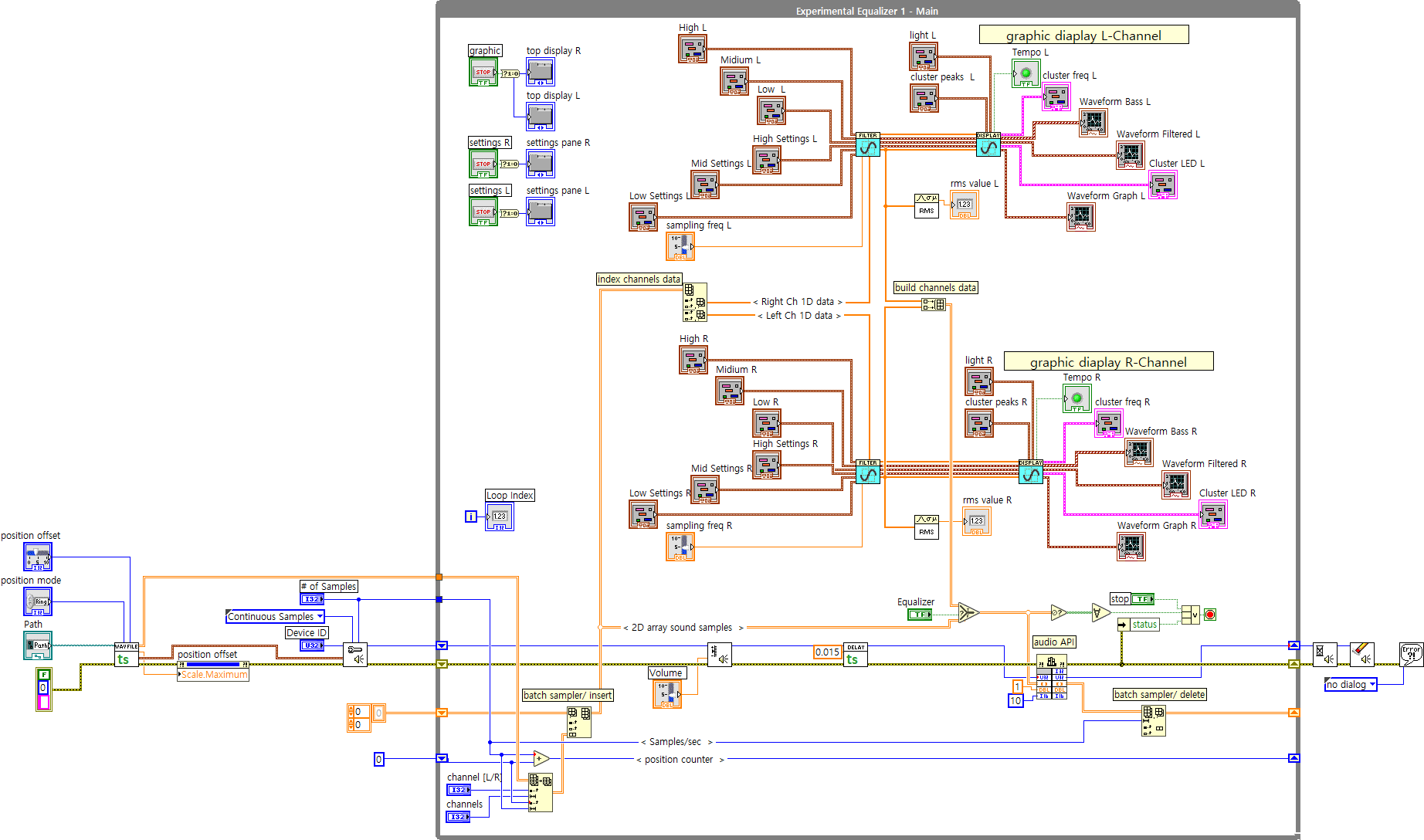
LabVIEW Block Diagram

 

 

 

 

 

 

※ 이 글이 도움이 되었다면 "🤍공감" 버튼을 클릭해주세요. 클릭 한번이 글 쓰는데 큰 힘이 됩니다.

공유하기

facebook twitter kakaoTalk kakaostory naver band